雙吸泵的全稱是單級雙吸中開離心泵,雙吸泵裝配時無需調整,可以根據現場使用條件來確定用臥式或者立式安裝。
雙吸泵的裝配
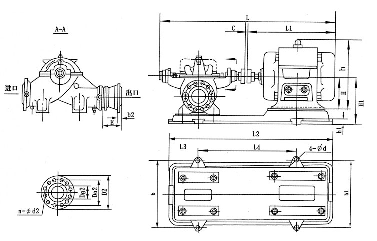
1.組裝轉子
①葉輪應該裝在軸的正確位置上不可以偏向一側,否則會使泵殼的軸向間隙不均勻產生摩擦。
②軸套裝上后并且把軸套螺母擰緊。為了防止水流從軸漏出,軸套和螺母間要用密封膠圈填塞。組裝完成后應該保證密封膠圈被軸套螺母壓緊,并且螺母和軸套已經靠緊。
③把填料套、密封環、水封環、填料壓蓋以及擋圈裝在軸上。
④軸承端蓋與軸承裝上,軸承螺母擰緊,接著把軸承體裝上,并且把軸承體與軸承端蓋緊固。
⑤聯軸器裝上。
2.吊入轉子
①把密封環安裝完成后,用手轉動轉子,查看密封環有沒有摩擦,應該把密封環進行調整,直到轉子靈活轉動為止。
②把裝好的轉子組件平穩地吊入泵體內。
3.泵蓋扣上
把泵蓋扣上后,緊固雙吸泵結合面螺栓和兩側的軸承體壓蓋。接著盤動轉子查看是否和之前有所不同,假如沒有明顯異常可以把空氣管、密封水管等鏈接上,把填料加好后就能對聯軸器進行找正處理。
雙吸泵的安裝
1.離心泵安裝前應該檢查外觀的完整情況。
2.雙吸泵的安裝高度應該加上吸入管路的水力損失,速度不能大于固定的允許吸上真空高度值。基礎尺寸應該符合單級雙吸泵的安裝尺寸。
3.安裝順序
(1)把雙吸泵放在埋有地腳螺栓的混凝土基礎上,調整并且校驗水平度,適當的把地腳螺栓擰緊防止竄動。
(2)把基礎和雙吸中開泵地腳之間灌滿混凝土。
(3)等到混凝土凝固后,把地腳螺栓擰緊,并且重新檢查中開泵的水平度。
(4)電機軸和泵軸的同心度進行校正。使兩軸位于一條直線,在連接進出水管路和試運行后,再分別進行校正。
(5)檢查電機的轉向和雙吸泵轉向一致后,把聯軸器和聯接柱銷裝上。
4.進出水管路應該設有單獨的支架支撐,不可以由泵體支撐。
5.中開雙吸泵和管路之間的結合面應該保證良好的密封性,進水管路應該確保不漏氣,并且在裝置上應該沒有存留空氣的可能。
6.假如雙吸泵安裝在進水水位以上,為了灌泵啟動方便可以安裝底閥。可以使用真空引水的方法。
雙吸泵的裝配與安裝方法由離心泵廠家總結。


PF型強耐腐蝕化工離心泵
IH(IS) 不銹鋼化工離心泵
IHF系列氟塑料襯里離心泵
